Характеристики
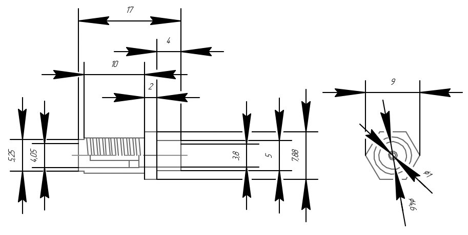
ВЧ разъём SMA - типа, розетка(мама), под пайку на полужесткий кабель RG-402. Для установки на панель, с гайкой и шайбой.
*Разъем имеет КСВ<2 в частотном диапазоне до 6 ГГц.
В диапазоне от 6 до 12 ГГц КСВ разъема может быть больше 2.
|
Габариты (длина , ширина , высота ), мм
|
18
x
9
x
9
|
Габариты, вес, количество товара в упаковке:
|
Размеры индивидуальной упаковки (длина , ширина , высота ), мм
|
18
x
9
x
9
|
|
Масса в индивидуальной упаковке, грамм
|
3
|
Разъемы, переходники, аттенюаторы- характеристики:
|
Тип разъема
|
SMA
|
|
Тип кабеля
|
Semi Rigid RG402 (0.141")
|
|
Тип исполнения
|
Прямой
|
|
Тип монтажа
|
Приборно-кабельный
|
|
Назначение
|
Розетка (мама)
|
|
Волновое сопротивление
|
50 Ом
|
|
Диэлектрик
|
Тефлон
|
|
Способ заделки оплетки кабеля
|
Пайка
|